WIZ630io
WIZ630io

The WIZ630io is a next-generation Ethernet module based on the W6300 hardwired TCP/IP chip with integrated PHY and RJ45 (MAG-JACK).
It supports QSPI and high-speed operation up to 150 MHz, enabling data throughput over 80 Mbps.
The module integrates all essential Ethernet components, including the transformer and connector, simplifying design for embedded network systems.
With dual IPv4/IPv6 stack and 64 KB total buffer memory, WIZ630io is ideal for performance-critical IoT applications.
Pin Information
- All Pins

J1
Pin | Type | Name | Description |
---|---|---|---|
1 | P | GND | Ground |
2 | P | GND | Ground |
3 | O | MISO/Q1 | SPI Master-In / Slave-Out QSPI I/O data line 1 |
4 | I | SCLK | SPI clock input |
5 | I | SCSn | SPI chip select (active low) |
6 | O | INTn | Interrupt output (low-active) |
J2
Pin | Type | Name | Description |
---|---|---|---|
1 | P | GND | Ground |
2 | P | 3V3D | 3.3 V power |
3 | P | 3V3D | 3.3 V power |
4 | I | NC | No connect |
5 | I | RSTn | Hardware reset (active low, ≥ 500 µs) |
6 | I | MOSI/Q0 | SPI Master-Out / Slave-In QSPI I/O data line 0 |
J3
Pin | Type | Name | Description |
---|---|---|---|
1 | IO | Q3 | QSPI I/O data line 3 |
2 | IO | Q2 | QSPI I/O data line 2 |
3 | MISO/Q1 | SPI Master-In / Slave-Out QSPI I/O data line 1 | |
4 | I | NC | No connect |
5 | I | RSTn | Hardware reset (active low, ≥ 500 µs) |
6 | I | MOSI/Q0 | SPI Master-Out / Slave-In QSPI I/O data line 0 |
Features
- Supports Hardwired TCP/IP protocols: TCP, UDP, IPv6, IPv4, ICMPv6, ICMPv4, IGMP, MLDv1, ARP, PPPoE
- Dual Stack IPv4/IPv6 support
- High-speed operation with 150 MHz system clock
- Up to 80 Mbps throughput via QSPI (4-bit data interface)
- 8 independent sockets with total 64 KB SRAM (4 KB TX/RX per socket)
- Supports SOCKET-less commands (ARP, ICMPv6 for DAD, NA, RS)
- Integrated transformer and RJ45 MAG-JACK
- Supports Ethernet PHY power down & clock switching for low power
- Supports Wake-on-LAN (UDP)
- Supports SPI and QSPI interfaces
- 10BaseT / 10Base-Te / 100BaseTX Ethernet PHY integrated
- Auto-Negotiation and Auto-MDIX supported
- 3.0 V operation (5 V I/O tolerant)
- Network LEDs for link, speed, duplex, and activity
- Operating temperature: −40 °C to +85 °C
Electrical Characteristics
- DC Characteristics
- Power Dissipation
Symbol | Parameter | Pins | Min | Typ | Max | Unit |
---|---|---|---|---|---|---|
VDD | Supply voltage | 3.3 V | 2.97 | 3.3 | 3.63 | V |
VIH | High-level input | ALL | 2.0 | – | - | V |
VIL | Low-level input | ALL | – | – | 0.8 | V |
VOH | High-level output | ALL | 2.4 | 3.3 | – | V |
VOL | Low-level output | ALL | 0.0 | – | 0.4 | V |
IDD | Supply current (Normal) | 3.3 V | – | TBD | – | mA |
IPD | Supply current (Power-down) | 3.3 V | – | TBD | – | mA |
Condition | Min | Typ | Max | Unit |
---|---|---|---|---|
100M Link | – | TBD | TBD | mA |
10M Link | – | TBD | TBD | mA |
10M-Te Link | – | TBD | TBD | mA |
100M Unlink | – | TBD | TBD | mA |
10M Unlink | – | TBD | TBD | mA |
10M-Te Unlink | – | TBD | TBD | mA |
Un-Link (Auto-negotiation mode) | – | TBD | TBD | mA |
Power Down mode | – | TBD | TBD | mA |
Documentation
Title | Description | Link |
---|---|---|
Datasheet (W6300) | Technical datasheet for W6300 Ethernet chip |
Software Resources
- Driver
Driver
Resource | Description |
---|---|
![]() | Official WIZnet driver library supporting W6300 and related Ethernet controllers. |
Note: The ioLibrary_Driver provides platform-independent network APIs for WIZnet chips.
Includes DHCP, DNS, SNTP, MQTT, and HTTP server modules for easy network development.
Hardware Resources
Title | Revision | Description | Download | Notes |
---|---|---|---|---|
schematic | 1.0 | Circuit diagram for hardware design reference | — | |
3D File | 1.0 | 3D model for mechanical design and visualization | — |
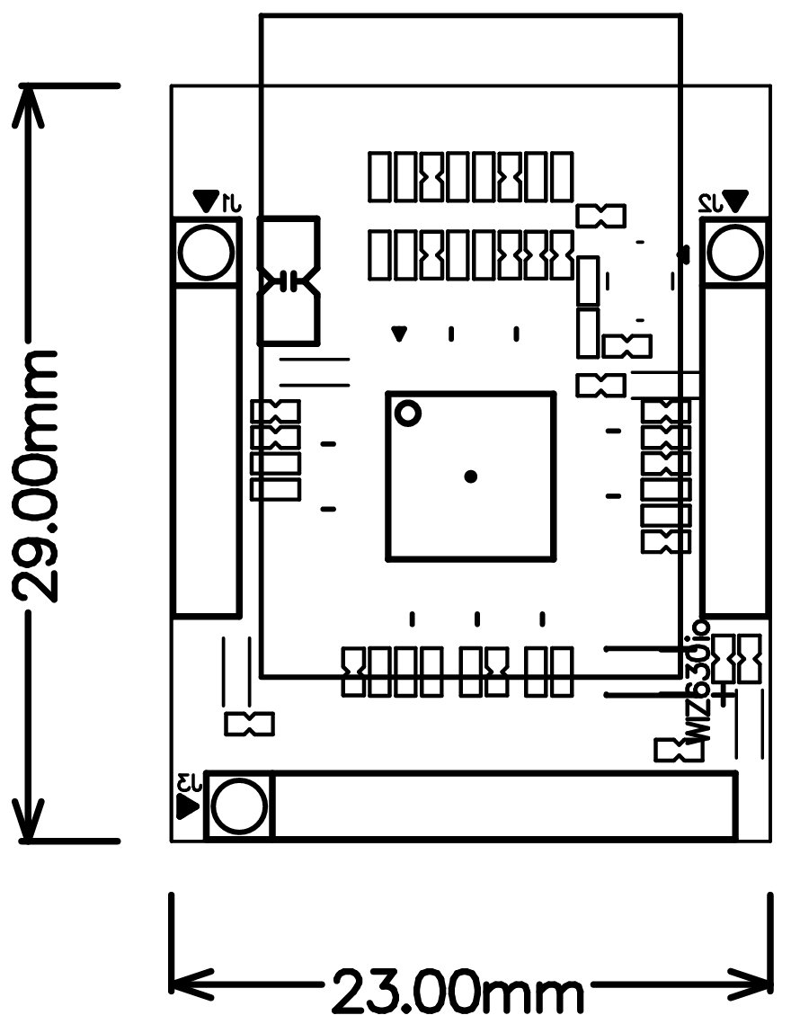
Mechanical Information

- Form factor: ioModule with integrated RJ45 MAG-JACK
- Pin pitch: 2.54 mm (header pins)
- Dimensions: 29.00 x 23.00 (mm)
Related Products
Product | Description |
---|---|
W6300 Chip | High-performance Ethernet controller (QSPI, 150 MHz) |
WIZ610MJ | Ethernet module with W6100 chip, SPI and parallel bus support |
WIZ610io | Compact SPI Ethernet module using W6100 |