WIZ610io
WIZ610io

The WIZ610io is a compact network module featuring the W6100 hardwired TCP/IP chip with integrated PHY and RJ45 (MAG-JACK). It supports IPv4/IPv6 Dual Stack, providing fast and reliable Ethernet connectivity for embedded systems. By integrating the W6100 chip and transformer in one module, it eliminates complex PCB design and ensures stable operation. WIZ610io is ideal for developers seeking rapid and robust Internet connectivity.
Pin Information
- All Pins

J1 — SPI
Pin | Type | Name | Description |
---|---|---|---|
1 | P | GND | Ground |
2 | P | GND | Ground |
3 | I | MOSI | SPI Master-Out / Slave-In |
4 | I | SCLK | SPI clock input |
5 | I | SCSn | SPI chip select (active low) |
6 | O | INTn | Interrupt output (low-active, cleared via IR/Sn_IR) |
J2 — Control & Status
Pin | Type | Name | Description |
---|---|---|---|
1 | P | GND | Ground |
2 | P | 3V3D | 3.3 V power |
3 | P | 3V3D | 3.3 V power |
4 | I | NC | Not connected |
5 | I | RSTn | Hardware reset (active low, ≥ 500 µs) |
6 | O | MISO | SPI Master-In / Slave-Out |
Features
- Supports IPv4/IPv6 Dual Stack
- Hardware-based Internet protocols: TCP, UDP, ICMPv6, ICMPv4, IGMP, MLDv1, ARP, PPPoE
- 8 independent sockets with 32 KB internal TX/RX buffer
- Supports SOCKET-less commands: ARP, PING, ICMPv6 (DAD, NA, RS)
- Auto-negotiation and Auto-MDIX for 10/100 Mbps operation
- Ethernet Power-down & Main Clock Switching for low power
- Supports Wake-on-LAN (UDP)
- High-speed SPI interface (Mode 0/3)
- 3.3 V operation with 5 V I/O tolerance
- 2 × 6-pin headers (2.54 mm pitch)
- Operating temperature: −40 °C to +85 °C
Electrical Characteristics
- DC Characteristics
- Power Dissipation
Symbol | Parameter | Pins | Min | Typ | Max | Unit |
---|---|---|---|---|---|---|
VDD | Supply voltage | 3.3 V | 2.97 | 3.3 | 3.63 | V |
VIH | High-level input | ALL | 2.0 | – | - | V |
VIL | Low-level input | ALL | – | – | 0.8 | V |
VOH | High-level output | ALL | 2.4 | 3.3 | – | V |
VOL | Low-level output | ALL | 0.0 | – | 0.4 | V |
IDD | Supply current (Normal) | 3.3 V | – | 132 | – | mA |
IPD | Supply current (Power-down) | 3.3 V | – | 13 | – | mA |
Condition | Min | Typ | Max | Unit |
---|---|---|---|---|
100M Link | – | 98 | 115 | mA |
10M Link | – | 112 | 265 | mA |
10M-Te Link | – | 75 | 190 | mA |
100M Unlink | – | 50 | 199 | mA |
10M Unlink | – | 26 | 170 | mA |
10M-Te Unlink | – | 26 | 130 | mA |
Un-Link (Auto-negotiation mode) | – | 50 | 199 | mA |
Power Down mode | – | 14 | 20 | mA |
Documentation
Title | Description | Link |
---|---|---|
User Manual | Technical guide for WIZ610io module usage |
Software Resources
- Driver
Driver
The ioLibrary means "Internet Offload Library" for WIZnet chip. It includes drivers and application protocols. The ioLibrary can be used for W5100S and other chips's application designs. These will be updated continuously.
Resource | Description |
---|---|
Official WIZnet driver library for W6100 and other chips |
The ioLibrary_Driver is an MCU-independent library for WIZnet W5x00, W6x00 chips . It provides implementations of essential TCP/IP services, enabling developers to build network applications with minimal MCU dependencies.
Supported services
DHCP, DNS, MQTT, SNTP, TFTP, HTTP Server
Hardware Resources
Title | Revision | Description | Download | Notes |
---|---|---|---|---|
schematic | 1.0 | Circuit diagram for hardware design reference | — | |
3D File | 1.0 | 3D model for mechanical design and visualization | — | |
Part list | 1.0 | List of components used in the hardware | — |
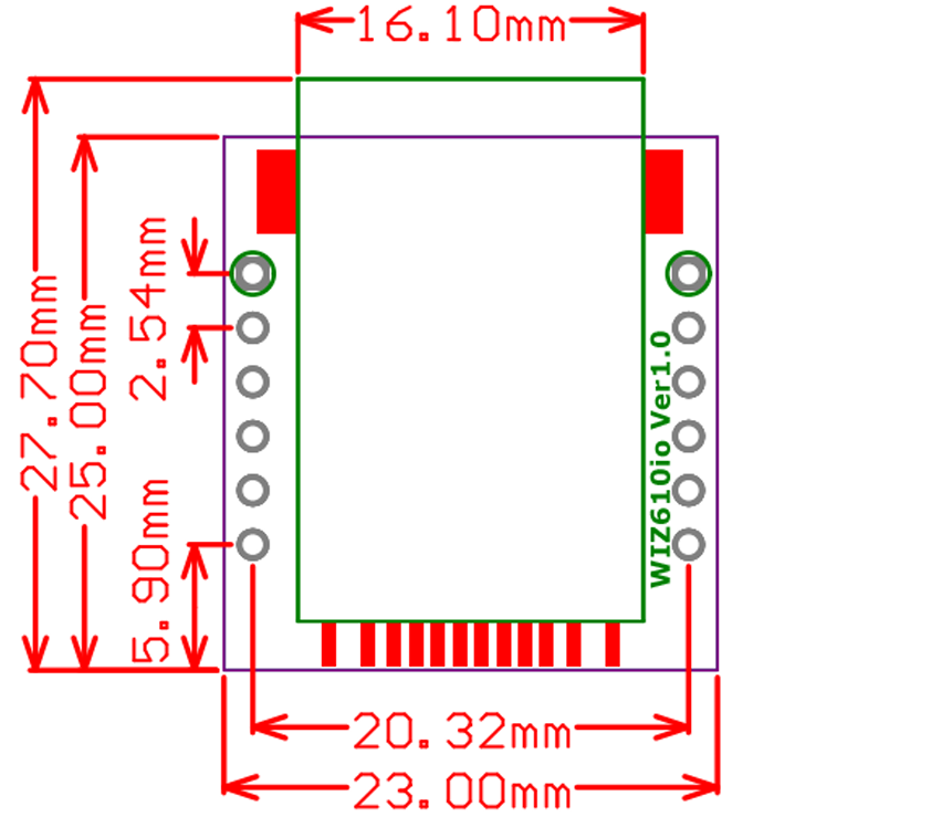
Mechanical Information

- Form factor: Compact ioModule with integrated RJ45 MAG-JACK
- Pin pitch: 2.54 mm
- Dimensions: 22.70 x 23.00 (mm)
Related Products
Product | Description |
---|---|
W6100 Chip | Stand-alone W6100 Ethernet controller (IPv4/IPv6 Dual Stack) |